Twist S1 Max

Acumulador de 1 serpentina sobredimensionado para produção de AQS

Acumulador-produtor de água quente sanitária composta por tanque e serpentina de aço revestida de vitrificado de alta qualidade e isolada com manta de alta densidade. Equipada de série com uma proteção anódica adicional, um registo para inspeção e limpeza e uma tomada para a instalação de uma resistência elétrica, se for necessário. Está desenhado com todas as conexões para poder realizar as instalações mais complexas. A gama inclui uma versão com duas serpentinas (S2) e uma com uma superfície de troca superdimensionada (S1 Max), para atender todas as necessidades de instalação. A grande superfície de troca da serpentina e sua resistência a altas temperaturas tornam a gama Twist S a escolha ideal para as instalações de produção de AQS mais exigentes.

95 °C

Temperatura máxima de trabalho

Serpentina Anti-legionela

Combinável com bomba de calor

DADOS TÉCNICOS

Capacidade sanitário l 263
Superficie de intercambio da serpentina m2 4
Conteúdo água serpentina l 23
Potência absorvida pelo primário 60/50°C kW 19
Caudal nominal serpentina primário 60/50°C m3/h 1,6
Perda de carga primário 60/50°C mbar 15
Potência absorvida pelo primári 80/60°C kW 96
Caudal nominal serpentina primário 80/60°C m3/h 4,1
Perda de carga primário 80/60°C mbar 112
Temperatura max de trabalho °C 95
Pressão max de trabalho AQS bar 10
Pressão max de trabalho serpentina bar 10
Perdas de calor W 85
Classe de eficiência energética C

Prestações Água Quente Sanitária

Condições funcionamento: Primário T = 80-60°C - Entrada de água fria T = 10°C
Caudal ponta a 40°C primeiros 10 minutos l/10’ 568
Caudal ponta a 40°C primeira hora l/60’ 2573
Caudal em contínuo 40°C l/h 2400
Condições funcionamento: Primário T = 60-50°C - Entrada de água fria T = 10°C
Caudal ponta a 40°C primeiros 10 minutos l/10’ 361
Caudal ponta a 40°C primeira hora l/60’ 759
Caudal em contínuo 40°C l/h 500

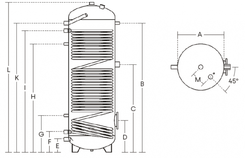
DIMENSÕES

A mm 500
B mm 1390
C mm 945
D mm 340
E mm 140
F mm 220
G mm 395
H mm 1165
I mm 1310
J mm -
K mm 1390
L mm 1615
M mm 150
N mm -
Altura total com isolamento mm 1615
Altura máxima em elevação mm 1735
Diâmetro acumulador com isolamento Ø mm 600
Flange Ø mm 180/120
Peso em vazio kg 124

CONEXÕES

Saída água quente pulgadas 1
Ânodo pulgadas 1 ¼
Termómetro/Sonda pulgadas 1/2
Resistência eléctrica pulgadas 1 ½
Conexão de bancada (cega) pulgadas 1 ½
Entrada água fria pulgadas 1
Retorno serpentina pulgadas 1
Termostato pulgadas 1/2
saída serpentina pulgadas 1
Recirculação pulgadas 1/2
Saída superior água quente pulgadas 1 ¼
Twist S1 Max Tw S1 300 Max

Manuais técnicos atuais (1)

Certificações (1)

Tratamento Dryglass

O tratamento de vitrificação Dryglass é realizado de acordo com a norma DIN 4753-3 e UNE 10025 e é obtido pela aplicação de um esmalte resistente à água e ao vapor.

Após a cocção no forno a 850 °C, o esmalte não absorve água e não conduz íons, fazendo com que o esmalte proteja a estrutura do acumulador o 99,9%. O 0,1% restante (devido a eventuais pontos expostos) é eliminado inseririndo dentro um ânodo de magnésio ou um ânodo eletrônico de titânio que protege contra a corrosão.

Principais recursos e benefícios

  • Acumulador em aço vitrificado com uma serpentina sobredimensionado
  • Resistência a temperaturas até 95ºC
  • Alta superficie de intercambio da serpentina
  • Serpentina Anti-legionela
  • Combinável com bomba de calor

Cookies

(AIC Europe B.V.) quer instalar cookies no seu dispositivo para melhorar o nosso website (com base em relatórios e estatísticas sobre como usa nossa página), além de melhorar as nossas atividades de marketing e a estratégia virtual do grupo AIC (baseando-nos em observações das suas visitas ao nosso site e como você o usa). Os cookies que utilizamos são nossos ou fornecidos pela Google LLC, dos EUA.

Você aceita o que está descrito acima?

Para obter mais detalhes, consulte: Política de Privacidade, Termos de serviço